Beginn des Inhalts.

Elektrik und Elektronik: Fahrtregelung

Spannungsregelung

Die Geschwindigkeits–Steuerung mit geglätteter Gleichspannung und Transistoren als Spannungsreglern kann eingesetzt werden, wenn die Lokomotiven Ihrer Modelleisenbahn fünf– bis siebenpolige oder sogar Glockenankermotoren haben und die Stromabnahme von den Schienen sicher ist (saubere Schienen und Räder).

Ihr entscheidender Nachteil ist, dass überschüssiger Strom in Wärme umgewandelt werden muss. Daher müssen die Endstufen solcher Regler ausreichend dimensioniert und sehr gut gekühlt werden.

Abschnitte dieser Seite:

 

Grundlagen

Auf die Link zum Glossar Massensimulation wurden schon mehrfach eingegangen, unter anderem bei den Prinzipien der Fahrtregelung. Es wurde außerdem festgestellt, dass die Zustandserhaltung über den Elko (Elektrolyt–Kondensator) eine Voraussetzung für Link zum Glossar hot plug–fähige Link zum Glossar WAC–Geräte ist (auch, wenn die Massensimulation gar nicht benutzt wird).

Am Ausgang der einfachen Spannungsregelung werden mehrstufige Darlington–Kombinationen eingesetzt. So kann mit sehr kleinen Steuerströmen ein (sehr) großer Ausgangsstrom geregelt werden.

Schaltplan Gleichspannungsregler, geänderte Ausführung. [ ± ].

In der Praxis sollten ein paar kleine Änderungen gegenüber diesem Schaltplan vorgenommen werden. Die wichtigsten sind die Standard–Diode, die ein Aufladen des Elkos C1 „von rechts” verhindert, wohl aber eine Entladung zulässt, und der eingefügte Punkt L.

Punkt U ist nun die Schnittstelle (besser gesagt, eine der Schnittstellen) der Steuerung nach außen. An Fs liegt die Fahrspannung.

Diese Schaltung kann nicht mit einer Hilfsspeisung wie bei der vorgestellten Impulsbreiten–Modulation betrieben werden, weil die Spannung an der Basis des ersten Transistors (Ts) bei Bedarf etwa so hoch werden muss wie die Fahrspannung.

 

Exkurs: Mindestspannung

Auf analog betriebenen Anlagen gab es schon immer das Problem der Beleuchtung von Fahrzeugen (und eventuell der Rauchgeneratoren). LED (Leuchtdioden) als Lampen können in größeren Maßstäben kaum überzeugen. Selbst bei „Konstantbeleuchtungen”, wie sie zum Beispiel LGB® in die meisten Loks einbaut, tut sich bei Langsamfahrt noch herzlich wenig bis gar nichts. Erst, wenn der Zug schon mächtig schnell ist, leuchten auch die Laternen, und dann kommt auch endlich ein erstes Wölkchen aus dem Rauchgenerator.

Niederfrequenz–Generatoren als Spannungsquelle sind wegen ihrer vielen Nachteile auch nicht so gut. Und außerdem soll die Technologie in beide Richtungen kompatibel sein: Umgebaute Triebfahrzeuge sollen mit industriellen Fahrpulten fahren können und nicht umgebaute mit den Selbstbau–Typen.

Eine mögliche Lösung besteht darin, den Motoren der Triebfahrzeuge (TFz) ein Stück der Fahrspannung zu entziehen. Das Prinzip ist im Bild beispielhaft mit den antiparellel geschalteten Diodenketten demonstriert.

Angenommen, es seien je acht Silizium–Dioden, ergibt sich ein konstanter Spannungsabfall von 0,6 × 8 = 4,8 Volt. Durch diese Dioden fließt der volle Motorstrom, sie müssen also ausreichend dimensioniert und eventuell sogar gekühlt sein.

Die dem Motor entzogenen 4,8 Volt zuzüglich der Anfahr–Mindest–Spannung stehen nun der Glühlampe zur Verfügung. Sie wird - wenn es eine 6 Volt–Type ist - hell brennen, bevor die Lok anfährt. Bei 16 Volt maximaler Fahrspannung (Uges) bleiben nach dem Abzug von U2 (4,8 Volt) 11,2 Volt (U1) als Regelbereich für den Motor übrig.

Die Sache hat allerdings - so - noch einen Haken.

 

Konstantbeleuchtung und –rauch

Der Haken ist, dass der Motor als Last nur bedingt geeignet ist. Es kann nämlich sein, dass der Strom, den er verbraucht, kleiner als der des Rauchgenerators oder der Lampen ist. Dann wird die Schaltung nicht funktionieren. Außerdem bilden - abseits der Dioden - Lampen und Generator einen Spannungsteiler.

Aus Platzgründen wird sich die bessere Lösung nur bei größeren Fahrzeugen (etwa ab Baugröße 0) unterbringen lassen. Nach wie vor werden - leider nutzlos - dem Motor 4,8 Volt entzogen. Achtung: Zu den Dioden parallel geschaltete Verbraucher (6 Volt–Glühlampe) führen zu schlechten Ergebnissen beim „Spannungsentzug”.

Ein 1–Ampère–Spannungsregler - der sollte für die meisten Zwecke genügen - wird hinter einem Gleichrichter und Glättungskondensator angeschlossen und stellt nun für Lampen und Rauchgenerator 6 Volt zur Verfügung. Durch die Gleichrichtung gehen zweimal 0,6 Volt verloren. Daher sind am Motor neun Dioden in der Kette besser als acht. In der Praxis helfen da nur Versuche.

Diese Schaltung eignet sich ganz besonders für LGB–kompatible Bahnen, die mit bis zu 24 Volt betrieben werden können, denn da bleiben dann etwa 18 Volt Regelbereich für den Motor übrig.

Die Dioden sollten unbedingt 3 Ampère–Typen sein (1N5404), die möglichst gut gekühlt untergebracht werden müssen.

Andernorts wird aufgezeigt, wie die Schaltung mit einer Fahrtrichtungs–Differenzierung erweitert werden kann.

 

Anlegen der Mindestspannung

Zurück zur Fahrspannungs–Regelung: Wird am Punkt L eine Spannung von etwa 6 Volt angelegt, werden die Darlington–Transistoren dieser Spannung folgen, die auch mehr oder minder am Ausgang erscheinen wird. Der Zustands–Elko C1 wird dadurch - wegen der Diode - jedoch nicht geladen.

Wird eine vorhandene Spannung am Punkt L - die ja auch von dem geladenen Elko C1 kommen kann - über einen kleinen Widerstand, zum Beispiel 100, gegen GND (Minus) gezogen, wird sich zum einen der Elko entladen, zum anderen wird die Spannung am Ausgang auch gegen 0 gehen. Das kann benutzt werden, um die Fahrspannung in Notsituationen programmatisch herunter zu ziehen.

Mit der oben beschriebenen Methode ist es möglich, analog betriebene Fahrzeuge leuchtend und bei Bedarf rauchend abzustellen, ohne, dass sie fahren. Erst, wenn die Fahrspannung etwas höher wird als zum Beispiel 5 bis 6 Volt, werden sich die Motore der umgerüsteten Loks in Bewegung setzen.

Wird nun eine zweite Versorgungsspannung von etwa 6 Volt bereit gestellt, kann diese benutzt werden, um Gleisabschnitte gesondert damit zu versorgen. Dort abgestellte Loks werden dann rauchen und leuchten, nicht jedoch fahren. Die Gleisabschnitte müssen aber natürlich auch ganz abschaltbar sein. Diese Technik erfordert, dass stets beide Schienen isoliert werden. Dazu später mehr. Vorteil: Der Strom für abgestellte und fahrende Fahrzeuge kann auf zwei Stromkreise verteilt werden.

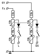
Da nicht alle umgebauten Loks gleich reagieren werden, müssen die Spannungen auf dem Fahrstrom– und 6 V–Kreis in Maßen einstellbar sein, zum Beispiel zwischen 4,5 und 6,3 V. Das sollte über Spannungsteiler mit Abgleichmöglichkeit geschehen, die in beiden Stromkreisen gleichzeitig über ein Stereo–Potentiometer eingestellt werden. Im Schaltbild rechts geht L an Punkt L der Fahrstrom–Endstufe, E6 an den entsprechenden Punkt des 6 V–Reglers. Die Widerstandswerte gelten für etwa 24 Volt.

 

Auswahl des Endstufen–Transistors

Wenn Sie so eine Schaltung für eine H0–Bahn mit zum Beispiel 14 Volt und 2 bis 3 Ampère Strom bauen, liegen Sie mit einem 2N3055 am Ausgang richtig. Davor könnten ein BC337– und ein BC547–Transistor liegen.

Bei einer II(m)–Bahn werden Sie damit nicht weit kommen. Schon als Schalter betrieben darf der 2N3055 maximal 115 Watt verarbeiten. Wenn Sie auf der sicheren Seite bleiben wollen, wäre bei 4 Ampère Schluss. Das reicht aber kaum aus, wie schon überschlagen wurde.

A Leistung auf dem Fahrstrom– und optional dem 6 V–Stromkreis sollten schon regelbar sein. Das lässt sich eigentlich nur mit einem NDAR–Transistor des Typs TIP140 erledigen. Damit kommen Sie - gerade mal so - auf maximal 5 A bei 24 V. Die abgeregelten Motoren wollen ja allen Strom ziehen, den Sie bekommen können. Nun sind bei Verwendung der 6 V–Technik noch etwa 18 V bei - zum Beispiel - 3 A zu vernichten. Da sind immerhin 54 W, die in Wärme umgewandelt werden müssen.

Auf der Abbildung sind das interne Schaltbild des TIP abgebildet - beachten Sie die Freilauf–Diode - und die Anschlussbelegung (von der Beschriftungsseite aus gesehen).

Dieser Transistor hat Schwerstarbeit zu leisten. Daher benötigen Sie einen extremen Profil–Kühlkörper (zum Beispiel Conrad 18 80 18, 50 mm hoch, 42 mm breit, 25 mm tief, Rth K/W = 4) und ein Kühlgebläse, besser zwei (Kaltluft–Zufuhr und Heißluft–Abfuhr).

 
Seitenanfang Nächste Seite WAC (Handregler)
 
 
Ende der Seite.