Beginn des Inhalts.

Gleisabschnitte

In diesem Bereich werden Schaltungen für ab– beziehungsweise umschaltbare Gleisabschnitte vorgestellt. Los geht es mit Kehrschleifen auf analog betriebenen Modelleisenbahn–Anlagen.

Kehrschleifen–Schaltung

Beim Vorbild gibt es Kehrschleifen nur selten und wenn, dann meist bei Straßenbahnen. Gleisdreiecke sind häufiger. Kehrschleifen können jedoch auf Modellbahnen ganz praktisch sein. Bei Zweischienen–Zweileiter–Systemen entsteht in einer Kehrschleife leider ein Kurzschluss - selbst, wenn wie hier abgebildet zwei Trennstellen eingesetzt werden (nämlich beim Überfahren dieser Trennstellen durch stromführende Fahrzeuge).

Die von der Industrie angebotene Lösung mit einem Gleichrichter für einen isolierten Abschnitt in der Kehrschleife und „blitzschnelles Umpolen” der Fahrspannung kann nicht befriedigen. Sie ermöglicht nur Einrichtungs–Verkehr durch die Kehrschleife, und der Zug wird beim Umpolen zumindest zucken (wenn die Umpolung nicht über Relais oder Transistoren erfolgt).

Hier wird eine Lösung beschrieben, mit der innerhalb der Kehrschleife beliebig rangiert werden kann, und die keine Eingriffe von Hand erfordert.

Abschnitte dieser Seite:

 

Bedingungen

Gegeben sei eine Kehrschleife mit einer Einfahrtweiche W, zwei doppelten Trennstellen an deren stumpfer Seite und zwei Lichtschranken L1 und L2. Ferner wird ein Signal für die auf der Strecke aktuelle Fahrtrichtung benötigt. Die Schaltungen sind unter Fahrzeug–Erkennung beschrieben.

Eine Bedingung ist, dass der gesamte Zug in die Kehrschleife passt und dass das Maß zwischen der ersten und letzten stromführenden Achse nicht größer sein darf als der Abstand zwischen den Lichtschranken. Das wird jedoch meist der Fall sein. Bei einer Kehrschleife des R1 von LGB® darf ein Zug allerdings „nur” 2,65 m lang sein - das ist eindeutig sehr wenig. Wie andernorts beschrieben wird, sollten in Baugröße IIm Zuglängen von mindestens 3,20 m möglich sein. Die Lichtschranken müssen auch nicht stromführende Fahrzeuge erkennen können.

Die Fahrtrichtungen auf der Strecke seien F1 (Einfahrt in Kehrschleife) und F2 (Ausfahrt aus Kehrschleife), die im isolierten Abschnitt K1 (entgegen dem Uhrzeigersinn) und K2 (im Uhrzeigersinn). Der Streckenabschnitt wird über ein Flipflop–gesteuertes Relais umgepolt, das die Kehrschleife über eine ähnliche Schaltung der einen beziehungsweise anderen Streckenpolarität zugeordnet.

 

Funktionsablauf

Ein Zug trifft von der Strecke aus ein (F1). Die Weiche steht auf „gerade”. Die Fahrtrichtung in der Kehrschleife ist K1. Der Zug wird also ohne Probleme in die Kehrschleife einfahren können, da die Polarität der Schienen vor und hinter der Trennstelle bei L1 gleich sind.

Das Überfahren der Lichtschranke L1 bei Fahrtrichtung F1 löst nichts aus.

Der Zug fährt weiter und erreicht die Lichtschranke L2. In AND–Logik mit der Fahrtrichtung K1 wird die Fahrspannung auf der Strecke von F1 auf F2 umgeschaltet. Beim Überfahren der Trennstelle bei L2 wird die Polarität also wieder stimmen. Die Weiche wird auf Abbiegen gestellt. Dadurch wird der Kehrschleifen–Abschnitt der Polarität entsprechend F2 zugeordnet, was nach wie vor K1 ergibt. Das geschieht über ein Relais 2 × um, das als einfacher Umpolschalter angeschlossen wird (siehe zweite Abbildung). Es ist wichtig zu verstehen, dass das etwas anders ist als das Umpolen einer festen Speisespannungs–Polarität.

Wenn Sie zu diesem Zeitpunkt die Strecken–Fahrtrichtung auf F1 ändern, können Sie, auch bevor Sie die Weiche durchfahren haben, einfach in der Kehrschleife wieder zurück fahren.

Angenommen also, ein Zug fährt bei der Weiche in Abzweigstellung und mit Streckenfahrtrichtung F1 in die Kehrschleife ein, kann er ungehindert bis zur Lichtschranke L1 fahren. Dort wird in AND–Logik mit Fahrtrichtung K2 die Strecken–Fahrtrichtung auf F2 und die Weiche auf „gerade” geschaltet, wodurch die Kehrschleife über das Zuordnungs–Relais dieser Polarität zugeordnet wird (was in diesem Fall unverändert K2 bedeutet).

Die Zuordnung des isolierten Kehrschleifenabschnitts entspricht immer der Weichenstellung. Wenn Sie also vor der Einfahrt in die Kehrschleife die Weiche umstellen, wird die Einfahrt–Polarität in beiden Stellungen der Weiche stimmen. Eine von Hand ausgelöste Umschaltung der Weiche, während der Zug innerhalb der Kehrschleife ist, führt jedoch zu Problemen, weil dadurch die Strecken–Fahrtrichtung nicht automatisch mit geändert wird.

 

Gleisbesetzt–Meldung

Benötigt wird also eine Schaltung, die erkennt, ob sich ein Zug innerhalb der Kehrschleife befindet oder nicht. Ist einer „drin”, soll die Weiche W nur umgestellt werden dürfen, wenn keine nennenswerte Fahrspannung anliegt.

Zum Verständnis: Das einzige, was bei einer manuellen Umschaltung der Weiche passieren kann, ist, dass der Zug plötzlich in entgegen gesetzter Richtung fährt als vorher.

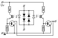
Bei der Fahrzeug–Erkennung wurde schon gesagt, dass elektronische Kontakte, die auf Stromverbraucher reagieren, eher unerwünscht sind. In diesem Fall sind sie jedoch eine praktische Lösung, da hier nur Stromverbraucher kritisch sein können. Das erste Bild dieses Abschnitts zeigt eine mögliche Lösung.

An den antiparallelen Dioden–Paaren fallen, wenn sie in eine Zuleitung zum zu überwachenden Gleis eingeschliffen werden, etwa 1,2 Volt ab. Damit werden (Infrarot–)Leuchtdioden angesteuert, die wiederum Foto–Transistoren treiben. Diese vier Bauteile gibt es als Zweifach–Optokoppler–IC PC827 im Link zum Glossar DIL–Gehäuse (siehe zweite Abbildung). Es ist auch als ein– bis vierfache Ausführung erhältlich (PC817, PC847).

Mit den zwei getriebenen NPN–Transistoren können Sie auch eine Gleisbesetzt–Meldung mit Fahrtrichtungs–Differenzierung aufbauen. Hier sind die Kollektoren zusammen geschaltet.

Am Ausgang könnten Sie nun ein Relais anschließen, das die manuelle Umstellung der Weiche W verhindert. Das Prinzip hat aber leider zwei Schönheits–Fehler.

Sind im isolierten Gleisabschnitt der Kehrschleife beleuchtete Wagen oder Loks mit abgeschaltetem Motor und eingeschaltetem Licht abgestellt, können Sie die Weiche nicht mehr umschalten. Und zweitens, so einfach klappt das mit den Optokopplern nicht, weil der volle Strom der Fahrzeuge da hindurch fließt. Besonders bei Großbahnen können das leicht mehrere Ampère werden.

 

Funktionstabelle

Der Übersicht halber sind hier alle nötigen Vorgänge und Verknüpfungen noch einmal zusammen gefasst.

  1. Weiche W auf Geradeausfahrt: Polarität des isolierten Abschnitts dem des geraden Weichenstrang zuordnen (als ob die Trennstellen bei L1 überbrückt würden).
  2. Weiche W auf Abbiegen: Polarität des isolierten Abschnitts dem abzweigenden Weichenstrang zuordnen (als ob die Trennstellen bei L2 überbrückt würden).
  3. Signal von Lichtschranke L2 und Streckenfahrtrichtung auf F1 und Situation entsprechend (1): Fahrtrichtung auf F2, Weiche auf Abbiegen stellen.
  4. Signal von Lichtschranke L1 und Streckenfahrtrichtung auf F2 und Situation entsprechend (2): Fahrtrichtung auf F2, Weiche auf Geradeausfahrt stellen.

An der Weiche oder am Umschalt–Relais für den isolierten Kehrschleifen–Abschnitt wird also noch ein weiterer Umschalter benötigt, der die Zuordnung des Abschnitts speichert (oder ein entsprechendes Flipflop, was noch viel besser ist, da es mit dem Impuls zum Umstellen der Weiche gleich das Zuordnungs–Relais treiben kann).

Eine separat an das Gleis angelegte Mindestspannung wird über ein parallel geschaltetes Relais mit umgepolt (die Zuordnung erfolgt automatisch richtig). Für Oberleitungsbetrieb muss die Schaltung erweitert werden.

 

Gleisdreiecke

Gleisdreiecke stellen eine Art von „nach innen gekippter” oder doppelter beziehungsweise dreifacher Kehrschleife dar. Die Skizze dieses letzten Abschnitts zeigt das Prinzip. Wieder tritt an einem der Schenkel des Gleisdreiecks ein Kurzschluss auf, wenn keine zweigleisige Isolierung eingesetzt wird.

Der Lösungsansatz sollte mittlerweile klar sein. Bei Erreichen der Lichtschranken L3a oder L4b wird in Abhängigkeit von der Weichenstellung (W3 oder W4 auf „Abbiegen”) und der Fahrtrichtung auf die jeweilige Einfahrt die Fahrspannung im linken Bereich des Dreiecks passend gestellt. Bei Ausfahrt geschieht analog dazu das Gleiche mit der Fahrspannung der Strecke.

Auf der linken Seite funktioniert die Logik genauso. Sie muss nur an die Situation angepasst werden. Gleisdreiecke unterscheiden sich von einfachen Kehrschleifen insofern, als diesmal im „kritischen Bereich” eine definierte Polaritäts–Zuordnung erfolgen kann beziehungsweise darf.

Ein Sonderfall können bei Gleisdreiecken Z– und Übernahme–Schaltungen sein. Wenn Sie eine solche Figur im Gleisplan vorsehen, sollten Sie die Hinweise der entsprechenden Seite auch lesen.

 
 
Ende der Seite.