Beginn des Inhalts.

Modellbahn–Sound

Einleitung

Der größte Teil der menschlichen Wahrnehmung kommt - bei Sehenden - über das Auge zu Stande. Insofern ist schon viel gewonnen, wenn die Modelleisenbahn erst einmal gut aussieht und auch gut fährt. Aber so, wie ein seltsames Klackern im Getriebe das Wohlbefinden stört, kann ein angemessener Triebfahrzeug–Sound es erhöhen.

Was „angemessen” bedeutet, muss jeder für sich selbst entscheiden. Hier wird ein Konzept vorgestellt, das passable Ergebnisse bringt. Es hat aber - speziell bei Dampfloks - einen entscheidenden Nachteil: Der Sound ist nicht radsynchron.

Umgebungsgeräusche werden (zunächst) nicht besprochen.

Abschnitte dieser Seite:

 

Mobiler Sound - im Triebfahrzeug

Es gibt grundsätzlich zwei Möglichkeiten: Einbau einer Geräusch–Elektronik direkt in die Triebfahrzeuge oder stationäre Generatoren mit Lautsprechern an der Anlage. Das Thema wird für digital betriebene Lokomotiven auf einer eigenen Seite besprochen. Beide Lösungen haben Vor– und Nachteile.

Vorteile der Sound–Module in den Fahrzeugen:

  • Der Klang kommt aus der richtigen Richtung.
  • Dampfgeräusche sind mit den Rädern synchronisierbar.
  • Einzelne Klänge können Standort–abhängig gestartet werden (Pfeife, Glocke, Hupe).
  • Jedes Fahrzeug hat sein individuelles Geräusch (Dampf, Diesel).

Nachteile der Sound–Module in den analog betriebenen Fahrzeugen:

  • In jedes Triebfahrzeug müssen eine oder gar mehrere Elektroniken eingebaut werden.
  • Der Platzbedarf ist ziemlich groß, vor allem für gute Lautsprecher.
  • Einige Sound–Module benötigen eine Hilfsspeisung aus einer Batterie.
  • Der Klang aus Kleinst–Lautsprechern überzeugt oft nicht.
  • Die Einstellbarkeit (Potis) im Analogbetrieb wirft konstruktive Probleme auf.
  • Lokomotiven auf stromlosen oder verschmutzten Gleisen erzeugen eventuell kein Geräusch.

Sound–Generatoren in „Geisterwagen” können allenfalls bei festen Zugverbänden überzeugen.

 

Stationärer Sound

Alternativ dazu gibt es die Möglichkeit, stationäre Geräuscherzeuger („Generatoren”) zu verwenden. Die haben ebenfalls ihre Vor– und Nachteile.

Nachteile stationären Sounds:

  • Der Klang kommt (zunächst einmal) nicht unbedingt aus Richtung des Fahrzeugs.
  • Beim Triebfahrzeugwechsel ist eventuell eine Anpassung erforderlich, zum Beispiel die Umschaltung von Dampf– auf Diesel–Geräusche.
  • Dampfgeräusche sind nicht radsynchron.

Vorteile stationären Sounds:

  • Sie können kräftige Verstärker und gute Klangregelungen verwenden.
  • Lautstärke und Klang können zentral eingestellt werden.
  • Es können gut klingende Lautsprecher verwendet werden.
  • Abgestellte Fahrzeuge (zum Beispiel Diesellok) können eigene Standgeräusche haben.
  • Zusatz–Geräusche (Pfeifen, Läuten, Hupen) können programmatisch angesteuert werden, auch in der typischen Kombination „Zuerst Pfeifen, sodann Läuten”.

Bei genauer Betrachtung hat die stationäre Lösung also zwei entscheidende Nachteile: Der Dampflok–Sound ist nicht radsynchron (wer nicht damit leben kann, braucht hier nicht weiter zu lesen), und der Klang kommt nicht aus der Richtung des fahrenden Fahrzeugs.

Das zweite Problem ist mit vertretbarem Aufwand noch zufrieden stellend zu lösen. Nachfolgend wird das Konzept des „mitfahrenden” Sounds vorgestellt, das sich - ohne Ergänzungen - allerdings nur für Strecken eignet, auf denen gleichzeitig nur ein Zug fährt.

 

„Mitfahrender” Sound

Bedingung für die Idee ist, dass Triebfahrzeuge als solche erkannt werden können, zum Beispiel über Magnete und ReedRelais. Stromfühler sind - wegen beleuchteter Wagen - dafür ebenso wenig geeignet wie Lichtschranken oder mechanische Kontakte.

Das Konzept sieht außerdem vor, dass Ruhegeräusche (Standgeräusche) und Fahrtgeräusche zwei getrennte Kanäle haben.

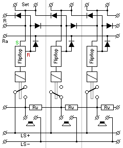
Der Schaltplan zeigt das Prinzip. In regelmäßigen Abständen werden unter der Anlage oder an versteckten Plätzen gut klingende Lautsprecher eingebaut. Die Anlage wird (gedanklich) in Sound–Abschnitte eingeteilt. Die Lautsprecher werden untereinander über Widerstände verbunden, die so bemessen sein sollten, dass die Nachbar–Lautsprecher eines zugeschalteten Lautsprechers noch etwa ¼ so laut tönen wie der mittlere.

Am Anfang und Ende eines Sound–Abschnitts befinden sich Set–Eingänge für ein Flipflop, die von der fahrenden Lok ausgelöst werden. Dabei werden - entkoppelt über Dioden - die benachbarten Flipflops zurück gesetzt. Verlässt die Lok einen Abschnitt, setzt sie ihn noch einmal, dann setzt sie das Flipflop des nächsten.

Der Ausgang des Flipflops verbindet über ein Relais den aktuellen Lautsprecher mit dem Audio–Ausgang. Er wird laut klingen, die zwei benachbarten (wenn es die gibt, was am Ende eines Kopfbahnhofs nicht der Fall ist) werden schwach angesteuert.

Die Fahrgeräusche werden also stets mehr oder minder aus der Richtung des Triebfahrzeugs kommen. Wird in diesen Kanal ein Warnsignal wie eine Pfeife eingespeist, wird auch dieses räumlich passend wieder gegeben.

Der entscheidende Vorteil dieser Lösung ist, dass eine wirklich gute Klangwiedergabe durch entsprechend große Lautsprecher und kräftige Verstärker möglich ist. Warnsignale können auch auf analogen Anlagen manuell oder automatisch ausgelöst werden.

 

Standgeräusche

Das vorgestellte Prinzip kann natürlich erweitert werden, beispielsweise, in dem zwei Systeme (Bahnhof und Strecke) parallel aufgebaut werden.

Bei Standgeräuschen sollte ein anderes Verfahren verwendet werden. Es sei angenommen, dass es zu den Fahrgeräusch–Generatoren (Dampf, Diesel, Pfeife, Glocke, Hupe) noch solche für stehende Triebfahrzeuge gibt, zum Beispiel einmal Dampf und einmal Diesel. An typischen Stellen (Wasserkran, Lokschuppen, abfahrtsbereit vor dem Empfangsgebäude) werden Lautsprecher für die Standgeräusche eingebaut.

Die Ausgänge der Generatoren können nun - beispielsweise über Stufen–Drehschalter - einzelnen Lautsprechern zugeordnet werden. So wird vielleicht der Diesel an der Tankstelle vor sich hin nageln, während die Dampflok beim Lokschuppen gelegentlich abbläst.

 
Seitenanfang Nächste Seite Ton–Generatoren
 
 
Ende der Seite.