Beginn des Inhalts.

Modellbahn–Sound

Ton–Generatoren

Um es gleich vorweg zu sagen: Künstlich erzeugte Klänge erreichen nie die realistische Wirkung digitalisierter Aufnahmen. Dennoch kann mit ihnen eine akzeptable Geräuschkulisse erzeugt werden. Das gilt besonders für Kleinbahnen.

Sie sollten schon einmal - am besten live - die Sorte Loks im Betrieb gehört haben, die Sie auch im Modell einsetzen möchten. Mancher, der das noch nicht getan hat, wäre überrascht, wie leise zum Beispiel eine kleine Schmalspur–Dampflok fahren kann. Das Geräusch der Räder beim Abrollen ist oft das lauteste. Dieselmotore haben hingegen meist einen recht kernigen Klang. Dem sollten Sie auch auf der Modellbahn Rechnung tragen.

Hier gibt es keinen Grundkurs in akustischer Elektronik. Es soll lediglich aufgezeigt werden, wie die einzelnen Komponenten zusammen gesetzt werden (können).

Abschnitte dieser Seite:

 

Komponenten

Conrad bietet eine ganze Reihe günstiger Sound–Generatoren als Bausatz an, unter anderem Dampf– und Dieselgeräusch, Dampflokpfeife und neuerdings auch eine Glocke. Das dürfte der günstigste und beste Weg sein, an diese Schaltungen zu kommen. Sie dürfen hier aus urheberrechtlichen Gründen nicht gezeigt werden. Die Schaltungen werden jedoch in PDF–Dokumenten bei Conrad zum Download angeboten (Kopien der Bauanleitungen). Das bietet Ihnen den Vorteil, dass Sie die Schaltungen in das Layout einer größeren Platine integrieren können. Hinweis: Dabei geht natürlich keine Gewährleistung für den Bausatz verloren. Bis auf die Glocke wurden die Schaltungen schon aufgebaut und getestet.

Wenn Sie Diesel– und Dampfloks einsetzen, sollten Sie je einen Generator für das Fahr– und einen für das Standgeräusch haben. Ferner werden eine Hupe (Diesel), eine Pfeife, eine Glocke und eventuell zwei Luftpumpen–Geräusche (Fahrt und Stand) benötigt. Dazu brauchen Sie je zwei Niederfrequenz– (nF–) Mischer, Klangregler beziehungsweise –steller und zwei Endstufen.

Ein paar Hilfsschaltungen wie Multivibratoren, Monoflops und Flipflops vervollständigen die Klangwelt.

Mit guten Lautsprechern lassen sich schon bei sehr kleiner Verstärker–Leistung beachtliche Lautstärken erzielen. Etwa 10 Watt je Kanal sind auch im Freien ausreichend.

 

Synchronisation

Ein sehr entscheidender Punkt bei Triebfahrzeug–Geräuschen ist die Synchronisation. Wenn diese nicht direkt am Fahrzeug über Kontakte stattfindet, kann sie nur in Abhängigkeit von der anliegenden Fahrspannung erfolgen. Dafür gibt es zwei Möglichkeiten: Entweder es gibt einen gemeinsamen Null–Leiter zwischen den Fahrstrom– und Elektronik–Stromkreisen (was nicht immer erwünscht ist), oder es werden Optokoppler eingesetzt, die die Stromkreise galvanisch getrennt halten. Die Fahrspannung bringt zum Beispiel eine Glühlampe mehr oder weniger hell zum Leuchten, der Eingang des Sound–Moduls wird über einen Foto–Transistor oder –Widerstand gesteuert.

Die meisten erhältlichen Schaltungen gehen von Fahrspannungen bis etwa 16 Volt aus. Wenn Sie also zum Beispiel Ihre Gartenbahn mit bis zu 24 Volt betreiben, müssen die Eingänge entsprechend angepasst werden.

Eine zusätzliche Anpassung benötigen Sie, wenn Sie wie bei Fahrtregelung vorgeschlagen eine Mindestspannung an das Gleis legen und an den Fahrzeugen die Spannung reduzieren. Sehen Sie für Gastfahrzeuge aber vor, dass die nötige Anpassung um– beziehungsweise abschaltbar ist. Das kann leicht über die Station mitgesteuert werden.

Bei Diesel–Generatoren ist auch noch Folgendes wichtig. Nur die wenigsten Dieselmotoren leiten ihre Kraft direkt an die Räder weiter (auch mechanische Schaltgetriebe sind eher selten, außer bei der Feldbahn). Gängig sind Diesel–hydraulische oder Diesel–elektrische Antriebe. Bei ersteren kommt ein Drehmoment–Wandler zum Einsatz, bei letzteren treibt der Motor einen Stromgenerator, der wiederum die Fahrmotoren ansteuert.

Daher ist es nicht untypisch, dass Dieselloks im Stand langsam vor sich hinnageln und bei Fahrt eine nahezu konstante, höhere Motordrehzahl haben. Jedenfalls schwankt sie nur in einem sehr kleinen Bereich (typischerweise zwischen 300 bis 600 und 1.500 bis höchstens 2.500 Umdrehungen je Minute).

 

Einfache Generatoren: Hupe, Diesel, Kompressor

Um die Membran eines Lautsprechers zum Schwingen zu bringen, muss ein oszillierendes Signal in der Frequenz des gewünschten Tons erzeugt werden. Dafür kann beispielsweise das „Rauschen” von Transistoren oder einfach ein astabiler Multivibrator verwendet werden.

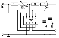
Auf dem ersten Bild ist ein einfacher Schaltplan für eine Hupe abgebildet. Der NE555 taktet mit einer am Poti einstellbaren Frequenz. Der Elko am Ausgang macht das Geräusch ein wenig weicher.

Dieses Prinzip können Sie auch für einen Diesel–Generator verwenden. Der taugt allerdings nur als Hintergrundgeräusch, da nur ein Knacken erzeugt wird, das lediglich durch den Ausgangs–Elko gedämpft wird. Für einen im Schuppen vor sich hin nagelnden Diesel bei schwacher Lautstärke mag das genügen. Der Kondensator des Taktgebers ist diesmal mit 10 µF größer. Durch Zuschalten der Kombination aus Vorwiderstand und Poti kann auf eine andere Frequenz umgeschaltet werden (niedrige / höhere Drehzahl). Dieser Vorgang lässt sich leicht automatisieren (Fahrspannung wird gleichgerichtet, geglättet, treibt über einen angepassten Vorwiderstand einen Transistor und der ein Relais).

Ein rhythmisches Knacken, analog zu den Geräuschen einer Luftpumpe, lässt sich ebenfalls so aufbauen. Die zweite Schaltung dieses Abschnitts wird angepasst (langsame Frequenz) und über einen zweiten Multivibrator so angesteuert, dass in - langen - Abständen eine Zeitlang der Kompressor anspringt.

Dabei muss die Plusleitung des eigentlichen Sound–Generators geschaltet werden. Das gilt grundsätzlich auch für alle anderen Generatoren, weil die Masse (GND) der gemeinsame Pol der Ausgänge aller Schaltungen ist. Dementsprechend müssen alle Tonerzeugungen den Ausgang über positive Potenziale versorgen. Andere Schaltungen müssen angepasst werden.

Hinweis: Die Hupe klingt im Klangbeispiel „wackelig”, weil sie nicht zugemischt, sondern nur eingeschliffen wurde.

 

Einfache Generatoren: Dampflok

Ein Dampflokgeräusch–Generator besteht im Wesentlichen aus drei Teilen: Einem Taktgeber, der für ein periodisches Geräusch sorgt, einem Rauschgenerator (Zischen des ausströmenden Dampfs) und einem Verstärker. Der Taktgeber kann - zumindest für Standgeräusche - einfach aus einem astabilen Multivibrator mit NE555 aufgebaut werden (obere Schaltung dieses Abschnitts).

Wird ein Transistor mit einer relativ hohen Spannung in Sperr–Richtung betrieben, wird er ein „Rauschen” erzeugen, eine Mischung verschiedener, sich überlagernder Frequenzen. Jeder Transistor rauscht anders, das Ergebnis kann also verschieden ausfallen.

Der Eingang links in der unteren Schaltung (zweites Bild) wird von dem Taktgeber „befeuert”. Je nachdem, ob dessen Ausgang positiv oder negativ ist, laden sich der untere 10 µF– oder obere 47 µF–Elko auf. Die Ladespannungen der Elkos summieren sich zu 2 × Versorgungsspannung (Uv). Diese Spannung wird über zwei Widerstände an den Emitter des in Sperr–Richtung betriebenen NPN–Transistors gelegt, der dadurch zu Rauschen beginnt. Dieses Rauschen wird - nur wenig über 100 nF beruhigt - an Punkt A, dem eigentlichen Ausgang der Schaltung, periodisch erscheinen.

Der obere Elko kann sich jedoch gleichzeitig über die in Serie geschalteten Widerstände entladen, wodurch die Spannung an der Spannungs–Verdoppelung wieder auf Uv abfallen wird. Dadurch wird das ursprünglich starke Rauschen allmählich verklingen, was in etwa einem Zischen bei nachlassendem Druck entspricht.

Der Verstärker ist nur symbolisch angedeutet.

 

Tipp: Mechanische Glocke

Die synthetische Klangerzeugung eines Glockensignals mit seinen vielen Obertönen, dem Nachhall, der durch einen neuen Schlag unterbrochen wird, ist besonders schwierig und daher oft auch nicht recht überzeugend.

Es gibt jedoch noch eine andere Lösung. Suchen Sie sich eine Fahrrad– oder elektromechanische Türklingel (mit Glocke), deren Klang Sie überzeugt. Je größer die Glocke ist, desto besser wird es sein, die Form ist nahezu vernachlässigbar.

Entfernen Sie das Gehäuse eines alten, kräftigen Relais. Löten Sie an das Metallplättchen, das beim Anziehen an den Elektromagneten gezogen wird, ein Stück federnden Drahts, je nach Länge zum Beispiel aus 0,5 mm–Messingdraht. An das andere Ende des Drahts löten Sie einen Klöppel, zum Beispiel aus einer Messing–Mutter M5. Bauen Sie Relais und Glocke so zusammen, dass der Klöppel bei angezogenem Relais die Glocke gerade noch nicht berührt.

Ein abstabiler Multivibrator soll das Relais ansteuern. Sobald der steht, können Sie durch praktische Versuche die beste Drahtlänge und –stärke sowie den richtigen Abstand ermitteln. Durch die Massenträgheit wird der Klöppel im Idealfall mit jedem Impuls des Taktgebers die Glocke kräftig, aber kurz anschlagen, damit sie anschließend frei schwingen kann.

Diese Konstruktion können Sie nun irgendwo einigermaßen schallgeschützt einbauen und den Klang mit einem kleinen Mikrofon abnehmen, dem ein Vorverstärker nachgeschaltet wird (bei Conrad unter Fremde Seite 19 76 88 erhältlich). So gewinnen Sie einen natürlichen Klang, der sich leicht in die Gesamtschaltung integrieren lässt.

 
 
Ende der Seite.