Mit den verschiedenen Generatoren haben Sie in der Regel eine bunt gemischte Art von Ausgangs–Signalen,
mal schon sehr verstärkt, mal weniger. Damit ist es natürlich nicht getan, denn sowohl der Fahr– als auch
der Standgeräusch–Kanal sollen die verschiedenen Klänge mit zueinander passender Lautstärke, mit passendem
Klangbild und der richtigen Lautstärke über die Lautsprecher zu Gehör bringen.
Abschnitte dieser Seite:
Bei niederfrequenten Audio–Signalen (NF) ist die Abschirmung besonders wichtig.
Alle Komponenten haben eine gemeinsame Masse. An diese Masse wird die Abschirmung angeschlossen.
Auch, wenn Sie nur ein positives Potenzial übertragen möchten, benötigen Sie abgeschirmte
Kabel (siehe Bild). Es ist daher üblich und nötig, dass die individuellen Aus– und Eingänge
stets positive Signale verwenden, da die Masse vom Eingang bis zum Lautsprecher durchgängig verbunden ist.
Die Gesamtheit aller Schaltungen ist auch empfindlich gegen Störeinflüsse. Es kann
also durchaus sinnvoll sein, Audio–Schaltungen in abgeschirmte Gehäuse einzubauen.
Wenn Sie Layouts für gedruckte Schaltungen entwerfen, sollten Sie
um die gesamte Schaltung herum eine breitere Leiterbahn mit Masse–Potenzial ziehen. Das kann zusätzlich helfen, Störungen zu vermeiden.
Die meisten der Generatoren haben kleine Verstärker am Ausgang, damit direkt ein Lautsprecher
angesteuert werden kann. Wenn Sie ein aus mehreren Quellen zusammen gesetztes Signal mischen und
einem Kanal der Endverstärkung zuführen möchten, stören die hohen Ausgangspegel eher, als dass
sie nützen. Sie müssen im Zweifelsfall also angepasst werden, oder Sie greifen das Signal vor der Verstärkung ab.
Außerdem macht es wenig Sinn, die Ausgänge der einzelnen Generatoren einfach zusammen
zu schalten. Ein Signal wird das andere überlagern, und es kommt zu einem
akustisch–elektrischen Chaos, das ganz bestimmt keine Freude fürs Ohr ist.
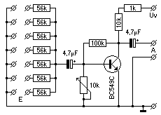
Hier wird die Schaltung für einen einfachen Mischer gezeigt. An den Eingängen E
werden die Signalquellen angeschlossen. Nicht benötigte Eingänge können einschließlich des
56 kΩ–Widerstands
entfallen. Durch Anpassung einzelner Widerstände können Sie in Grenzen die einzelnen Signalquellen einander anpassen.
Mit dem 10 kΩ–Potentiometer wird der
Ausgangs–Pegel eingestellt. Die 1 kΩ– und
10 kΩ–Widerstände sind nur deshalb zwei,
weil zwar meist diese Werte im Haus sind, ein 11 kΩ–Widerstand
aber eher selten.
Für die Klangregelung können Sie - bei nicht so gehobenen Ansprüchen - die nachfolgend gezeigte Schaltung verwenden.
B steht für Bass, Bässe, T für Treble,
Höhen, 0 kennzeichnet die angeregelte Position, E ist der Ein– und A der Ausgang.

[ ± ].
Klangregel–Schaltung.
Beachten Sie die Werte der Kondensatoren bei den Potis: Sie sind für die einzustellenden Frequenzbereiche zuständig. Mischer und Klangsteller–Stufe
benötigen Sie sowohl für den Fahrgeräusch– wie auch den Standgeräusch–Kanal.
In der Wohnung werden Sie mit Kleinverstärkern von etwa 1 bis 5 Watt Dauerleistung noch
glücklich werden - für Gartenbahnen oder größere Segment– beziehungsweise Modulanlagen gilt das jedoch nicht mehr.
Dort spielt auch noch ein anderer Faktor eine wichtige Rolle: der Stromverbrauch.
Netzgeräte dürfen meist nur im Trockenen (sprich: im Haus) verwendet werden. Sie müssen
also den benötigten Strom dort in einer ungefährlichen Kleinspannung, hier in der Regel
12 V, bereit stellen und dann über passend dimensionierte Kabel ins Freie führen.
Angenommen, Sie würden zwei Endstufen mit einer Leistungsaufnahme von jeweils
22 Watt verwenden, kämen bei 12 Volt schon 3,7 Ampère zusammen - das ist relativ
viel. Die werden Sie allerdings nicht benötigen. Schätzungsweise sind „echte”
10 Watt völlig ausreichend, womit nur noch 1,7 Ampère benötigt werden.
Auch hier kann Ihnen Conrad weiter helfen. Beachten Sie aber bitte die ulkige Bezeichnung
„Musik–Leistung”. Die wird aus wer–weiß–welchen Werten berechnet.
Ein nicht ganz ernstes Beispiel: Schuhgröße des Produkt–Designers (45) × Sonnentage der Wettervorhersage für Borkum (3)
÷ Zahl der in der letzten Woche bestellten Fast Food–Gerichte (17). Das ergibt hier
8 Watt und hat herzlich wenig mit der effektiven Leistung des Verstärkers zu tun.
Während Röhrenverstärker erst dann gut klingen, wenn sie ausgelastet sind, gilt das
für transistorierte Ausführungen nicht. Sie sollten genug Leistungs–Reserven haben, weil
sie sonst zu Verzerrungen und Klirren neigen. Die vorhandenen Reserven müssen Sie ja nicht ausschöpfen.
Einiges von dieser Arbeit können Sie sich - bei bastlerischem Geschick und ein wenig
Elektronik–Knowhow - sparen. Vielleicht haben Sie irgendwo noch
einen alten Radio–Recorder, dessen Elkos noch gut sind, dessen Potis beim Stellen
nicht zu Knarz–Geräuschen führen, der auch mit Batterien betrieben werden kann und einen Eingang für externe Signalquellen hat.
Zerlegen Sie das Gerät und machen Sie sich mit den Innereien vertraut. Ideal ist eine Ausführung
für 9 bis 12 V bei Batteriebetrieb (6 bis 8 Zellen). Entfernen Sie
Stück für Stück den Radio– und alle anderen redundanten Teile, bis nur noch der
notwendige Eingang für externe Signalquellen, Verstärker, Klangsteller und derlei vorhanden sind.
Dann versuchen Sie, die nötigen Bedienungselemente zu isolieren, damit Sie diese besser
in ihrem Stellpult integrieren oder gleich durch eigene Ausführungen ersetzen können.
So kommen Sie auf billigste Weise zu einem funktionalen Verstärker samt Klangregelung.